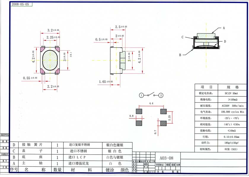
A03-08
Product parameters
Has the production of abrasive, injection molding, metal processing, assembly and other production sectors, the purchase of raw materials, quality inspection, warehousing, product development, strictly according to ISO09000 international quality standards. We are continue to develop the goal which is high-quality products, precision manufacture, Completed inspection, competitive price products.

| Temperature: | -10~+60℃ | Contact Resistance: | ≤30Mω |
| Rating: | 500MA 12V DC | Withstand Voltage: | ≥1500V(50Hz)1min |
| Insulation Resistance: | ≥100Mω | Actuating Force: | 2~8N |
| Life: | 1000000次 |
Product specification

Product advantages
The variety of the product’s material: we have all kinds of the series, such as the environmental, normal one and according to the customer request can produce other material’s product.
With the good capacity to supply: we have own factory to automatic produce, product’s quality can be guaranteed.
The deliver date is very timely: our factory has very large of the scale, the quantity goes very well.
Allow to open the model: if the customer have special request, we can satisfy your request to produce the products.

















